机电工程学院2022
 首页  学院概况  教学工作  师资队伍  科研学科  党群工作  学生工作  招生就业  资料下载 
最新消息: · 发展规划与学科建设处调研机电学院硕士学位培育点建设         · 机电工程学院智能检测机器人微专业正式开班         · 机电工程学院赴中国建筑第二工程局有限公司调研         · 机电工程学院学生党支部支部大会         · 94年前的今天,我们永远不能忘记!         · 机电工程学院组织观看纪念中国人民抗日战争暨世界反法西斯战争胜利八十周年阅兵仪式         · 凝心聚力担使命 述职评议展风采|机电工程学院2024-2025学年团支书述职评议会圆满结束         · 机电工程学院学生党支部支部大会顺利召开         · 2025年暑假前夕机电工程学院圆满完成实验室安全大检查         · 我校焊接实验室改造工程圆满完成并通过验收   
教学研究
院内下载
尚无内容。
文章内容页
当前位置: 首页>>教学工作>>人才培养>>正文

机械设计制造及其自动化专业2022版人才培养方案
2024-05-13 10:57  

 机械设计制造及其自动化专业人才培养方案

   

审核人

执笔人

   王  华    刘  辉    李晓冬

一、专业名称与代码

专业名称:机械设计制造及其自动化专业

专业代码:080202

二、学制与学位

学制:全日制本科,一般修业年限四年,允许修业年限36年。

学位:授予工学学士学位。

三、培养目标

机械设计制造及其自动化专业培养德智体美劳全面发展,面向生产第一线,具有扎实的自然科学基础和良好的人文素养,具备机械设计制造及自动化领域的专业知识和实践能力,具备较强的创新意识,能够在机械制造装备领域从事机械产品的设计制造、机电控制生产管理、技术开发等工作的应用型高级工程技术人才使其成为社会主义事业合格建设者和可靠接班人

培养目标具体细化为5个子目标:

1.具有良好的人文素养,能够在实际工作中遵守工程职业道德和规范,履行工程师的责任。

2.能应用机械工程科学知识与实践经验,对机械工程问题进行分析、研究,具备独立解决机械工程领域内复杂工程问题的能力,胜任工程师的岗位要求

3.具有良好的团队合作能力,具有国际视野,能够在跨文化背景下与专业同行及社会公众进行有效沟通和交流的能力。

4.能在工作中应用行业的政策、法规和标准,具备在有关法律、伦理、社会、环境和经济等约束条件下,独立从事机械项目的技术开发、生产和项目管理的能力。

5.具有创新能力,能适应社会进步和专业技术发展,具有终身学习和自主学习的能力。

四、毕业要求

1. 机械设计制造及其自动化专业的毕业要求

1)工程知识掌握数学、自然科学、工程基础和专业知识,并能够运用这些知识解决机械设计制造及其自动化领域中有关的复杂工程问题。

2)问题分析能够应用数学、自然科学和工程科学的基本原理,识别、表达、并通过文献研究,分析机械设计制造及其自动化领域中有关的复杂工程问题,以获得有效结论。

3)设计/开发解决方案能够设计针对机械设计制造及其自动化领域复杂工程问题的解决方案,设计满足特定需求的机械系统、单元部件和机械制造工艺,并能够在设计环节中体现创新意识,考虑社会、健康、安全、法律、文化以及环境等因素。

4)研究能够基于科学原理并采用仿真、实验、数值模拟等科学方法,通过设计实验、数据分析和信息综合研究机械设计制造及其自动化领域中有关的复杂工程问题,得到合理有效的结论。

5)使用现代工具能够针对机械设计制造及自动化等有关的复杂工程问题,开发、选择与使用适当的技术、资源、现代工程工具和信息技术工具,进行分析、预测和模拟,并能够理解其局限性。

6)工程与社会能够运用工程相关背景知识合理分析、评价工程项目实施和生产过程以及复杂工程问题的解决方案对于社会、健康、安全、法律及文化的影响,并理解应承担的责任。

7)环境和可持续发展能够理解和评价针对机械设计制造及自动化领域复杂工程问题的工程实践对环境和社会可持续发展的影响。

8)职业规范具有人文社会科学素养、社会责任感,能够在本专业工程实践中理解并遵守工程职业道德和规范,履行责任践行社会主义核心价值观

9)个人和团队具有团队意识和协作精神,能够在多学科背景下的团队中承担个体、团队成员以及负责人的角色。

10)沟通具备口头与书面表达能力,能够就本专业领域内的复杂工程问与同行及社会公众进行有效沟通和交流,包括撰写报告和设计文稿、陈述发言、清晰表达或回应指令。具备一定的国际视野,能够在跨文化背景下进行沟通和交流。

11)项目管理理解并掌握工程管理原理与经济决策方法,并能在多学科环境中应用。

12)终身学习具有创新意识和自主学习、终身学习的意识,具备持续学习和适应社会和技术发展能力。

2. 机制专业毕业要求指标点

机械设计制造及其自动化专业毕业要求指标点分解如表1所示。

1 毕业要求指标点

毕业要求

指标点

实现途径(教学过程)

毕业要求1

1.1具有机械设计制造及其自动化专业所需要的数学、物理等自然科学知识,并能用于描述机械设计、制造及其自动化领域中的复杂工程问题。

1.课堂教学:高等数学I、线性代数I、概率论与数理统计I、计算方法、工程化学基础、大学物理I、机械制图、机械工程材料、工程热学基础、机械原理、电工电子技术、机械工程控制及测试技术、机械原理课程设计、计算机辅助分析实训等理论课程与实践环节。

2.课外学习:培养学生课外阅读兴趣,引导学生合理挑选相关图书文献资料,为学生开展专题讲座、 学术报告等。

1.2能够针对机械系统或装置建立合适的数学模型,并利用恰当的边界条件进行求解。

1.3能够运用专业知识和数学模型方法分析机械设计制造及其自动化领域中的复杂工程问题。

1.4能够将工程专业知识和数学模型方法用于机电产品的设计、制造与管理中工程问题解决方案的比较与综合。

毕业要求2

2.1能够应用数学、自然科学和机械工程的基本原理,并结合专业知识进行有效分解,识别和判断机械设计制造及其自动化领域中复杂工程问题的关键环节和参数  

1.课堂教学:大数据与人工智能、机械制图、计算机程序设计基础、工程热学基础、工程力学(理论力学材料力学)、机械设计、机床数控技术、机械制造技术基础、智能制造技术、机械精度设计基础、机械工程控制及测试技术、机械制造装备设计、机械制造技术基础课程设计、计算机辅助分析实训、毕业设计等课程与实践环节。

2.课外学习:鼓励学生多阅读与课堂教学内容相关的书籍文献,为学生安排相应的课程作业、大学生科研立项、学科前沿调研报告。

2.2能基于机械工程的基本原理和数学模型方法正确表达机械设计制造及自动化领域中的复杂工程问题。

2.3能认识到解决机械设计制造及自动化领域中复杂工程问题有多种方案可选择,会通过文献研究寻求可行的替代解决方案,并能运用基本原理,分析过程的影响因素,获得有效结论。

2.4能够将相关知识和数学模型方法用于机制专业工程问题解决方案的比较与综合。

毕业要求3

3.1掌握机械设计、制造工艺和机电控制系统的设计原则、方法和流程,了解影响设计目标和技术方案的各种因素,能够设计针对机制领域复杂工程问题的解决方案。

1.课堂教学:机械设计、工业机器人技术、机床数控技术、机械制造技术基础PLC控制技术、智能制造技术、流体力学与液压传动、机电一体化系统设计、工程训练1钳工铸焊、工程训练2车铣磨、工程训练3数控车铣特种加工、机械原理课程设计、流体力学与液压传动课程设计、机械设计课程设计、机械制造技术基础课程设计、PLC控制技术课程设计、计算机辅助制造实训、企业设计与制造项目实训、毕业设计、大学美育、艺术体验与表达、等课程与实践环节。

2.课外学习:鼓励学生广泛阅读钻探领域的专业书籍和期刊文章,课程作业、大学生科研立项、学科前沿调研报告。

3.2能结合工程需求分析,完成对机械传动、机械结构、机电控制等系统、单元部件、零件及其制造工艺的设计。

3.3 在设计中,考虑社会、健康、安全、法律、文化以及环境等因素。

3.4 在解决复杂工程问题时,具有创新意识。

毕业要求4

4.1能够基于科学原理,能够对机械工程材料性能、机械传动性能、制造工艺、精度检测、控制系统等工程问题选择研究路线,应用实验过程中所需的基本技能设计可行的实验方案。

1.课堂教学:工程化学基础、大学物理实验II、工程力学(理论力学材料力学)、机械原理、电工电子技术、机械设计、工业机器人技术、机械制造技术基础PLC控制技术、流体力学与液压传动、机械精度设计基础、机械工程控制及测试技术、机械装备设计、计算机辅助分析实训等课程与实践环节。

2.课外学习:鼓励学生参加各种新技术专题报告,关注与本专业相关的网络信息,完成课程作业、大学生科研立项、学科竞赛、学科前沿调研报告。

4.2能够正确选用实验器件、设备或装置,搭建实验系统,安全进行科学实验,并按照合理步骤进行实验,收集实验数据。

4.3能够根据实验方案构建实验系统,安全地开 展实验,正确地采集实验数据。

4.4能对实验结果进行分析和解释,并通过信息 综合得到合理有效的结论,并应用于工程实践

毕业要求5

5.1了解机械专业常用的现代仪器、信息技术工具、工程工具和计算机辅助设计制造分析软件及机电控制编程软件的使用原理和方法,并理解其局限性

1.课堂教学: 智能系统概论、大数据与人工智能、计算机程序设计基础(C语言)、专业软件基础、机床数控技术、PLC控制技术、机械工程控制及测试技术、CAD软件实训(二维)、机械设计课程设计、计算机辅助制造实训、计算机辅助分析实训、毕业设计等课程与实践环节。

2.课外学习:鼓励学生参加各种学术报告和科研创新活动,关注与本专业相关的最近最新技术,熟悉常用的文献检索工具及工程软件,积极利用校内相关实验室,培养学生动手实践能力。

5.2能够开发、选择与使用仿真工具、计算机辅助设计制造分析软件、及机电控制编程软件对机械设计、制造工艺和机电控制等有关的复杂工程问题进行分析、计算和设计。

5.3能够针对具体的工程对象,开发或选用满足特定需求的现代工具,模拟和预测专业问题,并能够分析其局限性。

毕业要求6

6.1了解机制专业相关领域的技术标准体系、知识产权、产业政策和法律法规,理解不同社会文化对工程活动的影响。

1.课堂教学:机械制图、机械工程项目管理、CAD软件实训(二维)、企业设计与制造项目实践、毕业设计等课程与实践环节。

2.课外学习: 鼓励学生多参加工程相关领域专家、 学者所做的工程案例报告,结合所学专业知识,进行工程案例分析、社会调查,综合考虑各方面因素,制定设计制造优化方案。

6.2能够客观分析评价机制设计、项目实施、生产过程以及复杂工程问题实施和解决方案对社会、健康、安全、法律以及文化的影响,以及这些制约因素对项目实施的影响,并理解到机械工程师应承担的责任。

毕业要求7

7.1 认识环境保护和社会可持续发展的意义,了解环境保护的相关法律法规和能源发展战略,理解机械机电产品设计、制造对环境、社会可持续发展的影响。

1.课堂教学:环境科学概论、机床数控技术、企业设计与制造项目实践、毕业设计等课程与实践环节。

2.课外学习:工程作业、大学生科研立项、专题讲座等。

7.2 能够运用环境保护、可持续发展的相关知识评价评价机械产品全生命周期中的复杂工程问题的工程实践对环境、社会可持续发展的影响。

毕业要求8

8.1 能够树立正确的人生观和世界观,具有良好的人文科学知识与道德修养,了解国情,理解社会主义核心价值观,具有社会责任感

1.课堂教学:思想道德与法治、中国近代史纲要、马克思主义基本原理、毛泽东思想和中国特色社会主义理论体系概论、习近平新时代中国特色社会主义思想概论、形势政策、军事理论、军事技能、大学体育与健康、大学生心理健康教育、学习筑梦、大学生就业指导与职业生涯规划、公共通选课、大学美育、艺术体验与表达、工程训练1钳工铸焊、工程训练2 车铣磨、工程训练3数控车铣特种加工、企业设计制造项目实践等课程与实践环节。

2.课外学习:入学教育、毕业教育、班主任和辅导员的专题讲座、学术讲座等 。

8.2理解诚实公正、诚信守则的工程职业道德和 规范,并能在工程实践中自觉遵守

8.3理解工程师对公众的安全、健康和福祉, 以及环境保护的社会责任,能够在工程实践中自觉履行责任

毕业要求9

9.1具备团队合作意识,能够在多学科组成的团队中主动与其他成员共享信息,能倾听其他团队成员意见,协调开展工作。

1.课堂教学:创业基础、创新方法与实践、工程训练1钳工铸焊、工程训练2 车铣磨、工程训练3数控车铣特种加工、机械原理课程设计、流体力学与液压传动课程设计、机械设计课程设计、机械制造技术基础课程设计、PLC控制技术课程设计、计算机辅助制造实训、企业设计与制造项目实践等课程与实践环节。

2.课外学习:入学教育、毕业教育、班主任和辅导员的专题讲座、学术讲座等。组织学生参加各种科技活动。

9.2在团队中独立或合作开展工作,承担相应责任。

9.3能够在多学科背景下的团队中承担个体、团队成员以及负责人的角色。

毕业要求10

10.1能就机制专业问题,以口头、文稿、 图表等方式,准确表达自己的观点,回应质疑,理解与业界同行和社会公众交流的差异性。

1.课堂教学:大学英语、机械制图、机械制造装备、智能制造技术、机电一体化系统设计、CAD软件实训(二维)、机械原理课程设计、机械设计课程设计、PLC控制技术课程设计、企业设计与制造项目实践、毕业设计、写作与沟通等课程与实践环节。  

2.课外学习:鼓励学生多去图书馆、多登录国内外 各类电子期刊和图书服务网站。获得文献检索的能力,了解相关领域技术的最新研究成果,撰写学科前沿报告,参加科技论文报告会、学术讲座、撰写科技论文、参与教师科研项目等。

10.2了解机制专业领域的国际发展趋势、研究热点,理解和尊重世界不同文化的差异性和多样性

10.3具备一定的国际视野,具有英语听说读写的基本能力,能在跨文化背景下就专业问题进行沟通和交流。了解机制专业领域的国际技术发展趋势、研究热点,理解和尊重世界不同文化的差异性和多样性。

毕业要求11

11.1掌握工程项目中涉及的管理与经济决策方法。

1.课堂教学:机械工程项目管理、流体力学与液压传动课程设计、机械制造技术基础课程设计、毕业设计等课程与实践环节。

2.课外学习:鼓励学生参与大学生科研立项、学科竞赛、学科前沿调研报告、教师科研项目等。

11.2了解机械产品全生命周期的成本构成,理解其中涉及的工程管理与经济决策问题,掌握机械工程项目中涉及的管理与经济决策的原理和方法。

11.3 在多学科环境下,能够将工程管理原理、技术经济决策方法应用于机械工程领域的设计、制造和生产活动中。

毕业要求12

12.1能认识到科学技术以及社会在不断发展,认识到自主和终身学习的必要性

1.课堂教学:智能系统概论、大学生就业指导与职业生涯规划、创新方法与实践、毕业设计等课程与实践环节。

2.课外学习:数学建模竞赛、大学生互联网+竞赛、学科 竞赛、发明创造、科研报告、大学生科研立项等。

12.2 能针对个人和职业发展的需求,采用合适的方法进行自主学习,能够理解各种技术问题并进行总结和归纳,并提出问题。

3. 机械设计制造及其自动化专业毕业要求对培养目标的支撑

2 毕业要求对培养目标的支撑

          本专业的

毕业要求

本专业的培养目标分解

培养目标1

培养目标2

培养目标3

培养目标4

培养目标5

毕业要求1





毕业要求2





毕业要求3




毕业要求4





毕业要求5





毕业要求6




毕业要求7





毕业要求8





毕业要求9





毕业要求10





毕业要求11





毕业要求12





五、毕业学分要求

四年制本科学生毕业要求的最低学分179学分,其中:数学与自然科学29.5学分,工程与专业相关57.5学分,工程实践与毕业设计45学分,人文社会科学39学分,第二课堂素质拓展8学分。

六、主干学科与课程体系

1. 主干学科

机械工程

2.主要课程

大学英语大学物理、物理实验、高等数学、机械制图、 工程力学、机械工程材料、 机械原理、机械设计、电工电子技术、 机械精度设计基础、流体力学与液压传动、机械制造技术基础 机床数控技术、 PLC控制技术、工业机器人技术等理论课程

3.主要实践环节

CAD软件实训(二维)、工程训练、机械原理课程设计、机械设计课程设计、计算机辅助制造实训、计算机辅助分析实训、机械制造技术基础课程设计、流体力学与液压传动课程设计、PLC控制技术课程设计、企业设计与制造项目实践、毕业设计、课外创新活动实践


4. 课程学分构成

3 课程学分构成

序号

课程类别及要求

课程

学分

比例

1

数学与自然科学(15%)

高等数学I(10)线性代数I(3)概率论与数理统计I(3)工程化学基础 I(2.5)大学物理 I(6)大学物理实验Ⅱ(2) 环境科学概论(1)计算方法(2)

29.5

16.5%

2

工程及专业相关(35.5%)

工程基础

机械制图(5)计算机程序设计基础(C语言)(2.5)机械工程材料(3)工程热学基础(2)工程力学(理论力学材料力学)(5)智能系统概论(1.5)机械原理(3.5)电工电子技术(4)

57.5

32.1%

专业基础

机械精度设计基础(2)流体力学与液压传动(2.5)专业软件基础(2)机械设计(4)机械工程控制基础(1.5)测试技术(1.5)机械工程项目管理(1.5)机械制造装备设计(2)

专业类

PLC控制技术(3)工业机器人技术(2)机床数控技术(3)机械制造技术基础3)机电一体化系统设计(1.5)智能制造技术(1.5)

3

工程实践与毕业设计(25%)

军事技能(1)CAD软件实训(二维)工程训练1 钳工装配铸焊(1)工程训练2 车铣磨(1)机械原理课程设计(1)流体力学与液压传动课程设计(1)机械设计课程设计(2)PLC控制技术课程设计(1)工程训练3数控车铣特种加工(2)机械制造技术基础课程设计(2)计算机辅助制造实训(1)计算机辅助分析实训(1)企业设计与制造项目实践(15)毕业设计(15

45

25.1%

4

人文社会科学(20%)

思想道德与法治(3)中国近现代史纲要(3)马克思主义基本原理(3)毛泽东思想和中国特色社会主义理论体系概论(3)习近平新时代中国特色社会主义思想概论(3)形势与政策(2)大学英语Ⅰ(8)大学体育与健康1-4(2)军事理论(1)大学生心理健康教育(2)学习筑梦(1)大数据与人工智能(1)全校通识党史类选修课(1)大学生就业指导与职业生涯规划Ⅰ、Ⅱ(1)创业基础(1.5)创新方法与实践(1.5)素质通选课(2)

39

21.8%

5

第二课堂素质拓展(8)

社会实践(1)社团活动(1)劳动教育与实践(2)大学美育、艺术体验与表达1)写作与沟通(1)创新创业实践(2

8

4.5%

总计

179

100%


5. 课程体系对毕业要求的支撑

4 课程体系对毕业要求的支撑矩阵

毕业要求


课程名称

毕业要求1知识

毕业要求2分析

毕业要求3设计

毕业要求4研究

毕业要求5现代工具

毕业要6 工程社会

毕业要求7环境

毕业要求8职业规范

毕业要求9团队

毕业要求10沟通

毕业要求11项目管理

毕业要求12自学

分解指标点

1

2

3

4

1

2

3

4

1

2

3

4

1

2

3

4

1

2

3

1

2

1

2

1

2

3

1

2

3

1

2

3

1

2

3

1

2

思想道德与法治
























H














中国近代史纲要
























H














马克思主义基本原理
























H














毛泽东思想和中国特色社会主义理论体系概论
























H














习近平新时代中国特色社会主义思想概论
























H














形势政策
























H














军事理论
























H














大学英语I
































H






大学体育与健康


























H



H









大学生心理健康教育


























H












大数据与人工智能





H












H





















学习筑梦
























H














大学生就业指导与职业生涯规划
























H

H

H



M







M

H

创业基础



























H

H










创新方法与实践



























H

H










(党史、新中国史、改革开放史、社会主义发展史)四选一
























H














高等数学

H





































线性代数I

H





































概率论与数理统计I

H





































计算方法

H





































工程化学基础I

H












H

























环境科学概论






















H

H















大学物理I

H





































大学物理实验II













H

M

H























机械制图

M





M














H










L








计算机程序设计基础(C语言)






H











L





















机械工程材料



H

H









H

























工程热学基础

L

M



L

































工程力学(理力材力学)





H

H










H






















智能系统概论

















H



















H


机械原理


M

H

H









L

M

M























电工电子技术

M













L
























机械设计






M



H

H


M


M

M























专业软件基础

















H

H

H



















机械工程项目管理





















H




M








H

H

H



工业机器人技术










M


M

H

M

M
















M







机床数控技术





H





H







M






L















机械制造技术基础

M




L


M


H


H

M


H


M






















PLC控制技术









H

H


H

H


M























智能制造技术







H

H



H



















M

H

H






流体力学与液压传动











H



M

M























机械精度设计基础








H





H

M

M























测试技术






M








H




H




















机械工程控制基础


H



H

M







H

























机械制造装备设计






M







M


















M







机电一体化系统设计









M
















H






H







CAD软件实训(二维)

















H



H










H








工程训练1 钳工装配铸焊











L













H



L











工程训练2 车铣磨











L













H



L











工程训练3数控车铣特种加工











L













H



L











机械原理课程设计


M







L



L















M



H








流体力学与液压传动课程设计











M
















M






L





机械设计课程设计










H








H

H








M



M








机械制造技术基础课程设计








H



H
















M

M

L




L





PLC控制技术课程设计









H

H


H















H

M


M








计算机辅助制造实训









H


H






H

H










L










计算机辅助分析实训



H

H


H







H






H



















企业设计与制造项目实训











L









H

H

M



H


L



H

H







毕业设计







H

H

H

H

H

H






H

M


M


H







H


L



M

H

H

军事技能
























M














写作与沟通






























H

H







大学美育
























H














艺术体验与表达
























H














注:表中“H(高)”、“M(中)”、“L(低)”表示课程与各项毕业要求的关联度。


七、教学安排

1.培养方案学时、学分分配及主要参数表(见附表1)

2.教学活动总进程表(见附表2)

3.课程设置及教学学分进程表(见附表3)

4.学生修读学分指导计划表(见附表4)

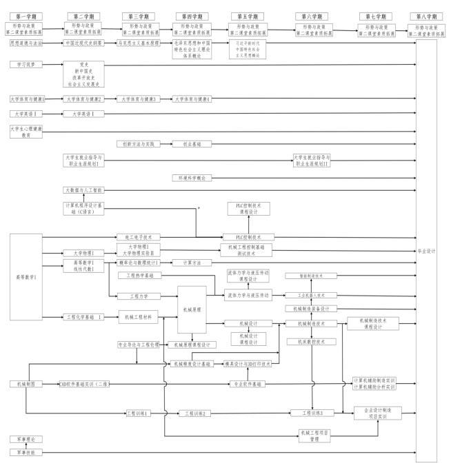
5.课程教学进程图

1  机械设计制造及其自动化专业课程教学进程图

八、有关说明

本方案依据教育部《普通高等学校本科专业类教学质量标准》、《工程教育专业认证标准》、《机械类补充标准》有关规定及《长春工程学院关于制定本科人才培养方案的原则意见》编制。


关闭窗口

 

长春市朝阳区宽平大路395号 邮编:130012(湖西校区) 

长春市朝阳区同志街3066号 邮编:130021(湖东校区)

版权所有:长春工程学院